Bơm chân không vòng khô VX 4.40

Mã SP: VX4.40
Lưu lượng: 40 m³/h Loại: Oil Free
Áp chân không: 100 mbar Motor: 3 phase
Công suất: 1.25 kW Bảo hành: 12 tháng
Độ ồn: 67.0 dB(A) Hãng: Becker
Khối lượng: 38.5 kg with motor Xuất xứ: Đức

Nội dung chi tiết

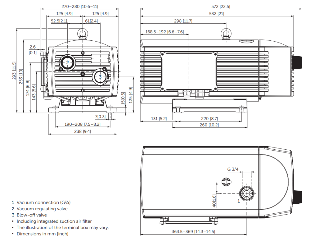
Bơm chân không vòng khô VX 4.40 | Rotary vane vacuum pumps VX 4.40 là máy bơm chân không chạy khô dạng cánh gạt, đạt tối đa 90% chân không và được thiết kế chạy liên tục không cần bảo trì bảo dưỡng.

Thông số kỹ thuật bơm chân không vòng khô VX 4.40

Lưu lượng: 40 m³/h Loại: Oil Free
Áp chân không: 100 mbar Motor: 3 phase
Công suất: 1.25 kW Bảo hành: 12 tháng
Độ ồn: 67.0 dB(A) Hãng: Becker
Khối lượng: 38.5 kg with motor Xuất xứ: Đức

Bom chan khong vong kho VX4.40 Bom chan khong vong kho VX4.40 Bom chan khong vong kho VX4.40

Đặc trưng nổi bật của bơm chân không vòng khô VX 4.40

  • Là dòng bơm cao cấp thể nâng cấp cho model VT4.40, tuổi thọ dài và hoạt động liên tục 24/24 dưới điều kiện hoạt động khắc nghiệt nhất.
  • Vận hành 100% chạy khô (không dầu)
  • Hoạt động yên tĩnh
  • Tuổi thọ cánh dài, hoạt động liên tục không cần bảo hành bảo dưỡng.
  • Làm mát bằng không khí
  • Truyền động trực tiếp.
  • Thiết kế nhỏ gọn, dễ lắp đặt.

Ưu điểm của bơm chân không vòng khô VX 4.40

  • Chi phí vận hành và bảo trì thấp
  • Hoạt động yên tĩnh – không cần vỏ giảm thanh
  • Thời gian hoạt động liên tục 24/24. LIên tục 36 tháng không cần bảo trì bảo dưỡng.
  • Dấu chân nhỏ để tiết kiệm không gian
  • Cấu trúc đơn giản giúp thực hiện dịch vụ tại chỗ nhanh chóng và dễ dàng nhằm giảm thời gian ngừng hoạt động

Phụ tùng thay thế của bơm chân không vòng khô VX 4.40

  • Cánh gạt – Carbon vane, Rotor vane 901409 00007
  • Lọc – Filter cartridge 909505 01000.

Bom chan khong vong kho VX4.40 Bom chan khong vong kho VX4.40

Tại sao nên mua bơm chân không vòng khô VX 4.40 tại The Regal VN?

The Regal VN là đại lý chính hãng Becker tại Việt Nam

  • Regal chuyên cung cấp bơm chân không vòng khô VX 4.40 chính hãng, đầy đủ chứng từ chứng minh xuất sứ như: CO, CQ, Tờ khai hải quan, Packing List.
  • Có phần mềm Becker Choice tính toán thiết kế, và tính tổn thất áp. Đảm bảo hiệu quả làm việc và độ tin cậy với các dự án lớn.
  • Chính sách bảo hành: 12 tháng
  • Phụ tùng thay thế có sẵn, giá tốt

Regal với đội ngũ kỹ sư chuyên môn cao luôn sẵn sàng tư vấn, hỗ trợ lắp đặt, hướng dẫn vận hành, bảo trì định kỳ để tăng hiệu suất sản phẩm.

Liên hệ ngay Hotline: +84 936 317 347 hoặc Email: info@theregal.com.vn để được hỗ trợ tốt nhất

Contact Me on Zalo