Bơm chân không vòng khô VXLF 2.400
Mã SP: VXLF2.400
Giá: Liên hệ
| Lưu lượng: | 390 m³/h | Loại: | Oil Free |
| Áp chân không: | 200 mbar | Motor: | 3 phase |
| Công suất: | 7.5 kW | Bảo hành: | 12 tháng |
| Độ ồn: | 77.0 dB(A) | Hãng: | Becker |
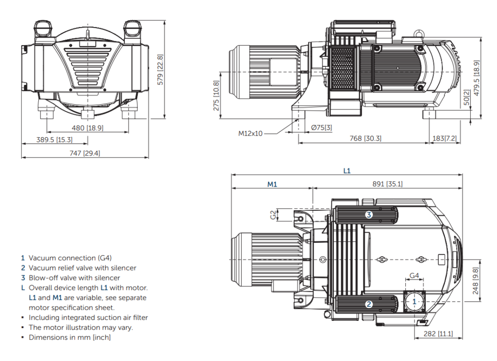
| Khối lượng: | 248.0 kg without motor | Xuất xứ: | Đức |
Nội dung chi tiết
Bơm chân không vòng khô VXLF 2.400 | Rotary vane vacuum pumps VXLF 2.400 là máy bơm chân không chạy khô dạng cánh gạt, đạt tối đa 90% chân không và được thiết kế chạy liên tục không cần bảo trì bảo dưỡng.
Thông số kỹ thuật bơm chân không vòng khô VXLF 2.400
| Lưu lượng: | 390 m³/h | Loại: | Oil Free |
| Áp chân không: | 200 mbar | Motor: | 3 phase |
| Công suất: | 7.5 kW | Bảo hành: | 12 tháng |
| Độ ồn: | 77.0 dB(A) | Hãng: | Becker |
| Khối lượng: | 248.0 kg without motor | Xuất xứ: | Đức |

Đặc trưng nổi bật của bơm chân không vòng khô VXLF 2.400
- Là dòng bơm cao cấp thể nâng cấp cho model VTLF2.400, tuổi thọ dài và hoạt động liên tục 24/24 dưới điều kiện hoạt động khắc nghiệt nhất.
- Vận hành 100% chạy khô (không dầu)
- Hoạt động yên tĩnh
- Tuổi thọ cánh dài, hoạt động liên tục không cần bảo hành bảo dưỡng.
- Làm mát bằng không khí
- Truyền động trực tiếp.
- Thiết kế nhỏ gọn, dễ lắp đặt.
Ưu điểm của bơm chân không vòng khô VXLF 2.400
- Chi phí vận hành và bảo trì thấp
- Hoạt động yên tĩnh – không cần vỏ giảm thanh
- Thời gian hoạt động liên tục 24/24. LIên tục 36 tháng không cần bảo trì bảo dưỡng.
- Dấu chân nhỏ để tiết kiệm không gian
- Cấu trúc đơn giản giúp thực hiện dịch vụ tại chỗ nhanh chóng và dễ dàng nhằm giảm thời gian ngừng hoạt động
Phụ tùng thay thế của bơm chân không vòng khô VXLF 2.400
- Cánh gạt – Carbon vane, Rotor vane 901325 00008.
- Lọc – Filter cartridge 909597 00000.
- Lọc – Filter cartridge 909510 20000.
Tại sao nên mua bơm chân không vòng khô VXLF 2.400 tại The Regal VN?
The Regal VN là đại lý chính hãng Becker tại Việt Nam
- Regal chuyên cung cấp bơm chân không vòng khô VXLF 2.400 chính hãng, đầy đủ chứng từ chứng minh xuất sứ như: CO, CQ, Tờ khai hải quan, Packing List.
- Có phần mềm Becker Choice tính toán thiết kế, và tính tổn thất áp. Đảm bảo hiệu quả làm việc và độ tin cậy với các dự án lớn.
- Chính sách bảo hành: 12 tháng
- Phụ tùng thay thế có sẵn, giá tốt
Regal với đội ngũ kỹ sư chuyên môn cao luôn sẵn sàng tư vấn, hỗ trợ lắp đặt, hướng dẫn vận hành, bảo trì định kỳ để tăng hiệu suất sản phẩm.
Liên hệ ngay Hotline: +84 936 317 347 hoặc Email: info@theregal.com.vn để được hỗ trợ tốt nhất



